Mundo Fesc, 15 (1) (2018), 8-13. Enero/Junio 2018, ISSN 2216-0353 (impreso) - 2216-0388 (Online)

Sistema de enfriamiento para computadores portátiles Master Cooler 2.0

Cooling system for laptops Master Cooler 2.0

Raúl Alfredo Salas-Medina, David Fuentes-Díaz.

- Ingeniería Industrial y Manufactura, al137613@alumnos.uacj.mx, orcid:orcid.org/0000-0002-8837-275 ,
Universidad Autónoma de Ciudad Juárez, Chihuahua, México
- Ingeniería Industrial y Manufactura, al137622@alumnos.uacj.mx, orcid: orcid.org/0000-0002-6549-0712,
Universidad Autónoma de Ciudad Juárez, Chihuahua, México
Recibido: 8 Marzo, 2017, Aceptado: 2 Mayo, 2017.
Forma de citar: R.A. Salas-Medina y D. Fuentes-Díaz, “Sistema de enfriamiento para computadores portátiles Master
Cooler 2.0”, Mundo Fesc, vol. 15, no. 1, pp. 8-13, 2018

Autor de correspondencia:
*Correo electronico:
al137622@alumnos.uacj.mx

©2018 Fundación de Estudios Superiores Comfanorte. Este es un artículo bajo la licencia CC BY-NC 4.0.

Licencia Creative Commons


Resumen

El presente proyecto plantea la introducción de un prototipo que provee la capacidad de enfriamiento de manera controlada a sistemas de cómputo, que permite alargar el periodo de vida de los componentes electrónicos evitando posibles problemas debido al sobrecalentamiento. La creación del Master Cooler 2.0, integra los siguientes elementos; HUB-USB, indicador de temperatura expedida por la PC, base ajustable según el tamaño de la PC y una adaptación que facilita su transporte. En la investigación de mercado realizada fue posible visualizar que este tipo de producto como el sistema del MC 2.0 que aquí se propone, no se encuentra disponible en el mercado y el poder ponerlo a disposición contribuirá a optimizar el tiempo de las actividades y vida útil del equipo.

Palabras Claves: Computador portátil, enfriamiento, HUB-USB, Master Cooler.


Abstract

The present project proposes the introduction of a prototype that provides the cooling capacity in a controlled way to computer systems, which allows to extend the life of the electronic components avoiding possible problems due to overheating. The creation of the Master Cooler 2.0, integrates the following elements; HUB-USB, temperature indicator issued by the PC, adjustable base according to the size of the PC and an adaptation that facilitates its transport. In the market research carried out, it was possible to visualize that this type of product, such as the MC 2.0 system proposed here, is not available in the market and being able to make it available will help to optimize the time of the activities and life of the product. equipment.

Keywords: Laptop, cooling, HUB-USB, Master Cooler.




Introducción

Alrededor del año 1975 se vio un incremento en la compra de ordenadores portátiles, donde el uso de éstos fue en aumento en el ámbito laboral, ofreciendo no sólo una forma más práctica de laborar, sino aumentando la productividad, la velocidad y la eficiencia de las operaciones [1]. En los años siguientes con los avances en las tecnologías de información y comunicación y el uso de la Internet [2] se amplió el comercio de este producto para su uso como medio de comunicación, de entretenimiento, aprendizaje de las diversas áreas como la matemáticas y la lectura en la escuela de East Palo Alto [3].

Dentro de estos procesos de enseñanza el uso del computador portátil permitió llevar al salón de clase el conocimiento, en el cual se cree haber ventajas y desventajas, sin embargo, se han visto cambios significativos a favor en la forma de aprendizaje [4], al incorporar estrategias de aprendizaje activo (Objetos Interactivos de Aprendizaje) como uno de los componentes que refuerzan el modelo pedagógico, al apoyar la generación de habilidades en diversos campos [5].

Una de las ventajas de la educación asistida por computadora se da en el uso de dichos dispositivos que logra hacer que las clases se den de una manera más interesante y atractiva para los estudiantes. En el campo de la ingeniería también son una herramienta casi indispensable, debido a que ayudan a enlazar el conocimiento teórico con la práctica, a través de simulaciones, estudios, análisis, etc., los cuales físicamente no serían viables por limitación de espacios, presupuesto o tiempo [6].
Los múltiples beneficios de éste dispositivo han obligado a una numerosa cantidad de personas a optar por utilizarlo; como es el caso de los alumnos de nivel superior y profesionales, para quienes es casi indispensable para uso de softwares que son necesarios para la realización de diversas tareas, las cuales exigen el máximo rendimiento, pero por lo general los usuarios olvidan las normas para trabajar con ellos, lo cual provoca el deterioro en la vida útil del equipo que es causado por el sobrecalentamiento del ordenador, el cual puede generar problemas en los pc [7]; sumado a ello en el mercado existen varios productos muy económicos con pocas funciones e inclusive de mala calidad, que constantemente requieren reparación o reemplazo por equipos nuevos.

Considerando la problemática se propone diseñar un prototipo de enfriador estándar mejorado, a través de la fabricación de la pieza del MC 2.0, integrando el HUB al MC 2.0 e implementando el detector de temperatura a dicho prototipo que pueda ser comercializado a bajo costo en la población universitaria.

Materiales y métodos

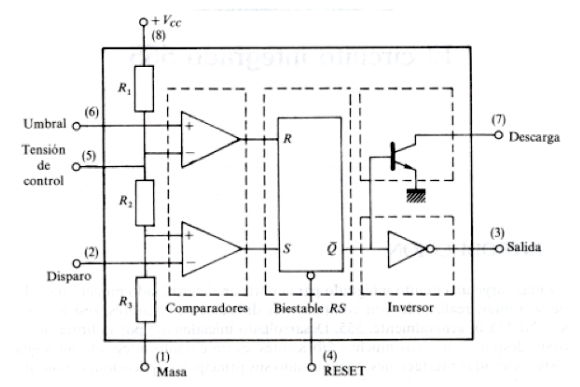
Para el diseño del sistema de enfriamiento por aire, se definieron parámetros de control mediante temperatura, que permita su activación solo cuando sea necesario, logrando así además un ahorro de energía al apagarse de acuerdo con las especificaciones configuradas, así mismo para reducir los costos del prototipo, se selecciona el CI NE555, teniendo en cuenta que es de fácil armado, tamaño y características internas (comparador, funcionamiento como biestable, FlipFlop tipo RS) ( Fig u r a 1).

Figura 1.Estructura Interna NE555

Figura 1. Estructura Interna NE555

El proceso de diseño se fundamenta en la incorporación de cuatro puertos más mediante el HUB-USB, que compense el puerto inhabilitado para mantener el sistema en operación. El sistema cuenta con dos barras que permitirán deslizar partes del MC 2.0 para adaptarlo (tamaño) al trasporte o al área de trabajo. (Figura 2).

Figura 2.Diseño Antiguo

Figura 2. Diseño Antiguo

El diseño inicial tuvo modificaciones como se muestra en la figura 3 y figura 4, donde se puede apreciar en el HUB-USB, una agarradera y una distribución diferente de las ranuras de ventilación.

Figura 3.Diseño Vista Frontal

Figura 3. Diseño Vista Frontal

Figura 4.Diseño vista trasera

Figura 4. Diseño vista trasera

En condiciones de reposo C1 (capacitor) se encuentra descargado, por lo que la salida está en nivel bajo, esto porque la entrada de disparo se encuentra en un nivel superior a 1/3 VCC. Cuando la tensión en pin 2 (Disparo, o en inglés TRIGGER) cae por debajo de dicho nivel, por un pulso negativo, la salida (pata 3) toma nivel alto y el transistor de descarga entra en corte: C1 y comienza a cargar a través de R1, hasta el punto en que la tensión en la entrada de la pata 6 (umbral) sea igual o superior a 2-/3 VCC. Cuando esto ocurre el biestable cambiará de estado por efecto de la entrada del comparador a R del Flip-flop y permanecerá de esa manera hasta la aparición de un pulso nuevo en pin 2 (Figura 5).

Figura 5.Diagrama de conexion monoestable

Figura 5. Diagrama de conexion monoestable

Considerando que en la actualidad existen diversos tipos de marcas que ofrecen productos electrónicos de marcas como DELL, HP, APPLE, Lenovo, entre otros. [8], estudios de mercado reportan que existe un 66% de demanda en computadores [9], por ello se hizo necesario realizar la exploración preliminar del prototipo en el mercado mediante la aplicación de 314 encuestas dirigidas a clientes potenciales.


Resultados y Discusión

Teniendo en cuenta la necesidad de mantener una señal baja hasta que la temperatura obtenida del ordenador no sobrepase el límite establecido, se activaron una serie de abanicos en el CI NE555,con configuración de Operación Monoestable también llamado Multivibrador monoestable.

Para el funcionamiento requerido fue necesario agregar un divisor de voltaje formado por una resistencia en conjunto con un termistor. Conectado el nodo del divisor de voltaje al pin 2, Disparo (Figura 6), que lograra controlar la salida, manteniendo en alto el pulso durante el tiempo que tarde en cargar el capacitor.

Figura 6.Simulación

Figura 6. Simulación

Para obtener un pulso positivo en la salida (pin 3) fue necesario pasar por debajo del voltaje de disparo (pin 2) que equivale a 1/3 VCC, para ello podemos utilizar cualquiera de las dos fórmulas: La Figura 7 presenta el Voltaje NTC del termistor, la figura 8 muestra la función divisora de voltaje.

Figura 7. Voltaje NTC del termistor

Figura 7. Voltaje NTC del termistor

Figura 8. Divisor de voltaje

Figura 8. Divisor de voltaje

En la Gráfica 1 se observa el comportamiento del sistema gracias al análisis realizado con el divisor del voltaje, con él, es posible calcular el tiempo que el sistema estará encendido ayudando a reducir la temperatura del computador.

Grafica 1. comportamiento del sistema

Grafica 1. Comportamiento del sistema

Para el establecimiento de la temperatura deseada se cuenta con la gráfica que el proeevedor extiende, en la cual se toma la cantidad de ohmnios a cierta temperatura, logrando con ello establecer según la temperatura, el voltaje de salida en el divisor de tensión (voltaje). Se mantiene hasta que se alcanza el valor del umbral (pin 6) equivalente a 2/3 VCC. Para fijar cuánto tiempo debía el pulso de salida estar en alto, fue necesario alargar el tiempo de carga del capacitor, haciendo uso de (1):

t = 1.1 * C * R (1)

Donde t es el tiempo
C es el capacitador
R es la Resistencia
Para ello se cuenta con dos posibilidades; elegir un capacitor (c1) con mayor capacidad, o tener una resistencia (R) de mayor valor óhmico. (Gráfica 3).

Grafica 3. comportamiento del termistor

Grafica 3. Comportamiento del termistor

En la figura 9 se presenta el prototipo físico apto para su uso en cualquier computador y en la figura 10 se representa la versatilidad del dispositivo puesto que puede separarse para abarcar diferentes dimensiones de computadoras.

Figura 9. Diseño fisico contraido

Figura 9. Diseño fisico contraido

Figura 10. Diseño fisico extendido

Figura 10. Diseño fisico extendido

distribuciónPor otra parte los resultados de la encuesta aplicada a los potenciales clientes arrojan que es posible abarcar un 14% de la participación en el mercado con el producto que se propone en el presente documento.

Finalmente para la distribución del producto, es posible hacer uso de los siguientes canales: Steren, Walmart, y finalmente no menoscabando la estrategia de ofrecerlo vía online, a través de eBay, MercadoLibre, entre otros (Gráfica 2)

grafica 2. Canales de distribución

Grafica 2. Canales de distribución

Basado en el estudio de los productos con características de sistema de enfriamientos para equipos de cómputos. Se presume que el precio inicial del producto se estima puede estar entre 550 pesos. En este sentido, según el comportamiento del mercado y la optimización en el proceso de producción se consideran estrategia que induzcan en bajar los precios a un 25% del valor inicial aquí discutido.


Conclusiones

Se logra el diseño e un prototipo que se ajusta a las diferentes características de los computadores (dimensiones), para el cual se identificaron diversas oportunidades de mejora.

Considerando los bajos costos de los materiales para el diseño del mismo es posible de vender a un precio que sea accesible a todas las personas. De este modo se contempla introducir el producto al mercado mexicano, iniciando en el mercado local y a futuro tal vez con una buena estrategia de promoción y publicidad introducirlo a otros mercados.


Agradecimientos

A la Universidad Autónoma de Ciudad Juárez por su apoyo económico para realizar este proyecto y en especial a la Mtra. Amaelvi Arce Ponce.

Referencias Bibliografícas

    [1] N.L Hernandez, A.S Florez-Fuentes, “Computación en la nube”, Revista Mundo Fesc, vol. 8, no. 1, pp. 46-51, 2014.

    [2] O. Culpan, "Attitudes of end-users towards information technology in manufacturing and service industries", Information & managment, vol. 28, pp. 167-176, 1995.

    [3] P. Suppes, Computer-Assisted Instruction. Derick Unwin & Ray ÐcAleese (Eds.), The Encyclopaedia of Educational Media CommunicationsÚnd Technology (2nd Edition), New York: Greenwood Press, 1988, pp. 107-116.

    [4] C. B. Fried, «In-class laptop use and its eVects on student learning,» Computers & Education, pp. 906-914, 2008.

    [5] B. Pérez, “Using learning styles in learning objects: a case Study in a Colombian Public University”, Respuestas, vol. 19, no. 2, pp. 59-69, 2014.

    [6] S. Şeker, «Computer - Aided Learning in Engineering Education,» Procedia - Social and Behavioral Sciences, vol. 83, p. 739 – 742, 2013.

    [7] DELL, "www.dell.com". [En línea]. Available: https://www.dell.com/support/article/us/en/19/SLN149611/dell-portable-system-heat-issueor-the-system-is-overheating?lang=EN.

    [8] El Financiero, www.elfinanciero.com.mx. [En línea]. Available: https://www.elfinanciero.com.mx/empresas/mercado-de-pc-s-siguesiendo-negocio.html.

    [9] Mercawise, www.mercawise.com. [En línea]. Available: https://www.mercawise.com/estudios-de-mercado-en-mexico/estudiode-mercado-sobre-habitos-de-consumorelacionados-con-productos-electronicos.